DsTecnologia

Electronica Basica
Curso de Reparacion T.V.
Desoldar y Soldar SMD
Construccion de Circuitos Impresos
TODO PC

Curso de Reparacion TV
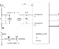
Fig.1 Circuito del atenuador a pianito

01 Señal de entrada para un taller de reparaciones

Método de reparación para fallas en el sintonizador. Atenuador a pianito.

Bifurcación de las señales en el diodo D2

02 Fallas analógicas típicas de un sintonizador

Análisis de fallas concretas: fallas en todas o algunas bandas y otras fallas.

Fig.1 Curva de respuesta de FI de los TV's clásicos

03 Sintonizador y circuito de entrada de FI

Análisis de las señales del sintonizador. Entrada de FI. Sintonía de AFT.

Fig.1 Circuito de la sonda detectora de RF

04 Sonda detectora de RF

Procedimientos para probar el sintonizador con la sonda de RF.

Fig.1 FI básica

05 Bobina de AFT

Sintonía de canales.

Fig.1 Varita mágica

06 Sintonía por síntesis de tensión

Ajuste del núcleo de la bobina. Utilización de la varita mágica.

Fig.1 Plan de frecuencia canal 82 de UHF

07 Sintonía por síntesis de frecuencia

Funcionamiento de un TV por síntesis de frecuencia. Método de prueba con un sintonizador mecánico.

Fig.1 Error de barrera de un detector

08 Amplificador de FI y detector de video

Análisis y métodos de verificación del amplificador de FI y detector de video.

Fig.1 Diagrama en bloques de un detector de sonido a PLL

09 FI de sonido. Integrado Sanyo 7680

Funcionamiento de la sección de FI de audio mono/stereo. Integrado comercial LM7680.

Fig.1 Agregado de una salida de FI de audio y del detector de FM

10 Reparación de FI de audio y video

Probador de FI de sonido y audio. Casos de reparación.

Fig.1 Codificación por pulsos horizontales partidos

11 Instalación de decodificadores de TV

Codificación y decodificación de audio y video. Circuito decodificador analógico.

Fig.1 Oscilograma de barras de colores

12 Sistemas de color

Introducción a la etapa de color.

Fig.1 Promedio de color realizado por el ojo

A Normas de TV

NTSC, PAL, SECAM, HDTV, ATSC

Fig.1 Los tres bloques del PAL

13 Método de reparación de etapa de color

Reparación de un PAL. On Screen Display. Anulación del Color Killer. Análisis de fallas por barras de color.

Fig.1 Circuito básico de línea de retardo PAL

14 Línea de retardo y la sección de luma

Método práctico de ajuste y diagnóstico. Reparaciones en la sección de luma.

Fig.1 Medición del funcionamiento de un cristal con una radio

15 Reparación de NTSC y NTSC/PAL

Reparación de dedificador de color NTSC. Convertir un PAL en un NTSC. Integrado binorma TDA3566.

Fig.1 Conmutación externa de cristales con llave a diodo en NTSC

16 Reparación de binormas automáticos

Reparación de binormas automáticos NTSCM/PALM, NTSC/PALN/ o NTSC/PALB.

Fig.1 Entrada de croma al LA7680

17 Sección color del chasis Hitachi NP91

Cómo se selecciona la norma. Funcionamiento y reparaciones en sección color del TV HITACHI NP91

Fig.1 Sector del diagrama de cableado relacionado con la sección de luma croma

18 Sección color del Philips A10

Reparaciones en el jungla y en el sistema de control automático de blanco.

Fig.1 Gráfico en el dominio temporal y espectro de una señal senoidal

19 Reparaciones en el filtro peine

Para qué sirve y cómo funciona el filtro peine. Reparaciones.

Fig.1 Diagrama en bloques y circuito del TDA9171 (nota: la pata indicada BLG es la 1)

20 Reparaciones en la plaqueta histograma

Funciones y reparación del histograma. El circuito TDA9171.

Fig.1 Amplificador de color del DEWO VPH9720

21 Reparación de TRCs agotados y otras fallas

Diagnóstico y método para reparar un TRC agotado. Análisis de fallas típicas.

Fig.1 Circuito del Sony KV2170B sin control automático de blanco

22 Ajuste automático de blanco y circuitos cascodes

Circuito de engaño del control automático de blanco.

Fig.1 Separador de sincronismo a comparador

23 Sincronismo horizontal y vertical

Recortador de sincronismo analógico y por programa. Reparación de falla de sincronismo.

Fig.1 Símil mecánico de un péndulo como oscilador directo

24 Etapa horizontal

Funcionamiento de un oscilador horizontal. CAFase y VCO. Tipos de osciladores.

Fig.1 Oscilador por filtro cerámico de 32FH a dos y a una pata

25 Osciladores horizontales

Osciladores con compuertas inversoras y filtros cerámicos.

Fig.1 Etapa de deflexión horizontal completa

26 CAFase

Circuitos que permiten sincronizar el pulso horizontal de la emisora con el diente de sierra del barrido horizontal.

Fig.1 Sección osciladora horizontal y CAFase

27 El filtro anti hunting y el 2º lazo de CAFase

Solución a problemas de service característicos del filtro anti hunting. El segundo lazo de CAFase horizontal. Integrado LA7680.

Fig.1 Etapa horizontal con llave e inductor

28 Funcionamiento de una etapa de deflexión horizontal

Relación entre la corriente y la tensión en resistores, capacitores e inductores. Cómo se produce la deflexión. Circuito de etapa horizontal.

Fig.1 Oscilograma de colectar en una etapa de deflexión horizontal

29 Reparaciones en la etapa horizontal

Método de reparación de la etapa horizontal. TVs que queman el transistor de salida horizontal por fly-back dañado, por el yugo, por el capacitor retrazado.

Fig.1 Circulación de corriente por un inductor

30 Driver horizontal

Análisis profundo mediante el laboratorio virtual Multisim del driver horizontal clásico y sus variantes

Fig.1 Etapa horizontal completa alimentada desde una sola fuente

31 Reemplazo del transformador y fly-back

Método para reemplazar un transformador driver.

Fig.1 Señal de prueba de cuadrícula

32 Reemplazo de fly-back y plaquetas universales completas

Reemplazo de fly-back por otro de diferente modelo. Reemplazo de la plaqueta completa.

Fuente: http://curso-completo-de-tv.com/

Ing Alberto Picerno

Desde DsTecnologia declinamos toda responsabilidad ante un mal manejo de sus tutoriales y ante los daños tanto físicos como materiales, producidos por la manipulación de periféricos sin los conocimientos adecuados.