DsTecnologia

Electronica Basica
Curso de Reparacion T.V.
Desoldar y Soldar SMD
Construccion de Circuitos Impresos
TODO PC

2 Laboratorio virtual Live Wire

Un laboratorio real es el lugar donde Ud. realiza los trabajos prácticos de su especialidad; en nuestro caso de electrónica. Consta de una mesa de trabajo con instrumentos y fuentes de energía eléctrica regulables que suplantan a las pilas. También cuenta con un lugar donde se guardan los componentes electrónicos que se van a utilizar en el trabajo práctico y las herramientas necesarias para hacer las correspondientes conexiones entre ellos. Un laboratorio muy básico debe contar con un tester que permita medir por lo menos R,V e I y un conjunto de resistores de diferentes valores para este primer trabajo práctico.

Ud. debe dentro de lo posible construir su propio laboratorio. Lo que indicamos hasta ahora puede tener un valor de unos pocos pesos. 15$ para el tester y unos 30 para la fuente regulada. Los resistores tienen un valor poco mas que anecdótico. Lo que Ud. va a hacer en su laboratorio es realizar conexiones y medir tensiones corrientes y resistencias con el tester.

¿Qué es un laboratorio virtual?  Su laboratorio real tiene un equivalente dentro de la PC, si Ud. tiene cargado alguno de los laboratorios virtuales conocidos hasta el momento. Nosotros vamos a trabajar en un principio con el Live Wire, un laboratorio excelente para los principios básicos de la electrónica.  En nuestro caso utilizaremos el Live Wire (en adelante LW) en su versión profesional 1.11 pero prácticamente salvo algunos componentes, las versiones anteriores son perfectamente compatibles y las explicaciones son prácticamente idénticas.

Instalación y prueba del Live Wire

Cuando termine la instalación aparecerá un icono en la pantalla como el indicado en la figura 1.

Fig.1 Icono del LW

Fig.1 Icono del LW

Haciendo click  sobre este icono, aparecerá la pantalla del LW que puede considerarse como un laboratorio básico con todo lo necesario para realizar nuestra primera práctica y todas las siguientes. 

Fig.2 Pantalla inicial de LW

Fig.2 Pantalla inicial de LW

Es posible que al iniciar el trabajo no aparezca el bloque Gallery de la derecha que representa la estantería donde están guardados los instrumentos y los materiales. En ese caso pique sobre View arriba a la izquierda y se desplegará una pantalla en donde debe tildar “Gallery”. Al salir de la pantalla desplegable aparecerá la mencionada estantería. 

Fig.3 Pantalla desplegable Wiew predisponiendo "Gallery"

Fig.3 Pantalla desplegable Wiew predisponiendo "Gallery"

Los componentes e instrumentos están ordenados dentro de esta estantería de modo que Ud. pueda encontrarlos fácilmente. Le aconsejamos picar en la flecha desplegable dirigida hacia abajo para observar todas las alternativas posibles. 

Fig.4 Pantalla desplegable de Gallery

Fig.4 Pantalla desplegable de Gallery

En nuestro primer trabajo práctico vamos a trabajar con una fuente de tensión (Power Supplies); resistores, que se encuentran en componentes pasivos (Passive Components) y un tester que se encuentra en Measuring.

Fig. 5 Componentes desconectados

Fig. 5 Componentes desconectados

Ud puede sacar esos componentes haciendo click y trasladando sobre la parte activa de la pantalla que representa a su mesa de trabajo. Y ahora solo basta con unir los componentes con cables virtuales realizando el circuito de la figura6.

Fig.6. Componentes conectados

Fig.6. Componentes conectados

Para conectar los componentes haga click  sobre una punta del componente y arrastre hasta el otro componente que desea conectar, allí suelte y la conexión quedara terminada. Luego puede picar sobre los cables y acomodarlos. Si desea realizar un tendido con un cambio de dirección suelte momentáneamente donde desee cambiar y luego vuelva a pulsar y terminar la conexión.

Con todo esto podemos decir que la instalación y la prueba ya esta terminada. En la siguiente sección aprenderemos a usar el LW.

Simulación del circuito elemental

Haciendo doble click  sobre la batería y aparecerá una ventanita en donde aparece el valor de la tensión de la misma.

Fig.7 Cambio del valor de los componentes

Fig.7 Cambio del valor de los componentes

Todos los componentes presentan una pantalla similar en donde se pueden cambiar su código de posición dentro del circuito (en este caso B1 de batería 1) o el valor de tensión (en este caso cambiar 9V por 1,5V). E inclusive se puede poner algún mensaje explicativo en la ventana “caption”. En nuestro caso el resistor no necesita modificación porque su valor por defecto es el que necesitamos.

Si Ud. desea ubicar los textos en una posición diferente solo necesita hacer click  sobre el valor y correrlo. Pulse F9 para que comience la simulación. De inmediato observará dos cosas.

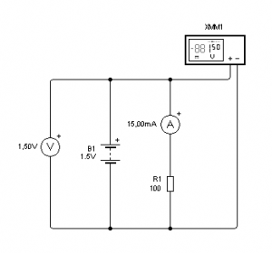
  • Dentro del tester aparece el numero 1,5 indicando la tensión de la pila.
  • Y en la parte de abajo del marco observará una ventanita marcada “Time” que indica el tiempo de la simulación que por lo general difiere del tiempo real dependiendo de la velocidad de la computadora. En el presente trabajo práctico la corriente y la tensión se establecen de inmediato. Pero posteriormente veremos otros circuitos en donde los parámetros son una función del tiempo transcurrido.

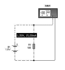
Si Ud. desea saber como circula la corriente por este circuito solo tiene que hacer click sobre la pestaña “current flow” del margen izquierdo. Observará que el fondo cambia a negro y se observan puntos que representan grupos de electrones circulando por el circuito. Reduzca a 100 Ohms el valor del resistor y observará como aumenta la corriente por los conductores la pila y el resistor. Para conocer el valor de la tensión respecto del negativo de la pila y el valor de la corriente solo debe arrastrar la flecha hasta el punto en donde desea hacer la medición. 

Fig.8 Circulación de la corriente y valores de tensión con 100 Ohms

Fig.8 Circulación de la corriente y valores de tensión con 100 Ohms

Pruebe cambiar el valor de la pila y observará inmediatamente el resultado sobre la corriente. ¿Por qué no hay circulación de corriente hacia el tester? En realidad existe una pequeña corriente por el tester pero la misma es tan pequeña que se la suele considerar despreciable. En efecto un tester digital normal suele tener una resistencia interna equivalente muy alta, del orden de los 4 Mohms o mas dependiendo de su costo. Entonces es fácil entender que los electrones al llegar a un nodo (palabra equivalente a nudo) desde la batería, circulan en su gran mayoría por el resistor que ofrece poca resistencia y muy pocos a través del tester.

Si Ud. desea tener una indicación permanente de la tensión y la corriente puede recurrir a la colocación de los llamados instrumento de panel. Son equivalentes a aquellos que se utilizan atornillados a un tablero, e indican su parámetro en forma permanente. Detenga la simulación apretando “control F9″ y agregue un voltímetro y un amperímetro de panel. 

Fig.9 Colocación de un amperímetro y un voltímetro

Fig.9 Colocación de un amperímetro y un voltímetro

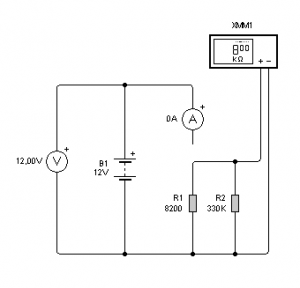
Observe que ambos instrumentos indican permanentemente los parámetros del circuito y permiten determinar un valor y ajustar otro para conseguir un determinado nivel en el tercero, sin realizar ninguna operación matemática. ¿Por ejemplo si coloco una batería de 12V que valor de resistencia debo colocar para que circulen 1,5 mA?

Simplemente cambie la tensión de batería a 12V. y luego coloque una resistencia cualquiera. Por ejemplo 200 Ohms. Observe la corriente. Su valor obtenido inmediatamente es de 60 mA. Demasiado alto. Poniendo 2K la corriente se establece en 6 mA (observe que no hace falta detener la simulación para cambiar un valor). Ya estamos mas cerca, pero aun el resistor es demasiado alto. Como el sistema es lineal de inmediato nos damos cuenta que para que la corriente baje a 3 mA debo duplicar la resistencia y para lograr 1,5 mA debo duplicarla nuevamente. Por lo tanto probamos con 8K.

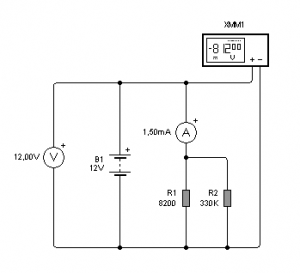
En el laboratorio virtual encontramos resistores de todos los valores pero en la realidad solo se encuentran aquellos que corresponde con la serie 1 – 1.2 – 1,5 – 1,8 – 2,2 – 2,7 – 3,3 – 3,9 – 4,7 – 5,6 – 6,8 – 8,2 y 10 es decir que en nuestro caso lo mas cercano que podremos colocar en la realidad es de 8,2 K. Si lo hacemos la corriente se establece en 1,46 mA. Si es aceptable se lo deja así. En caso contrario queda un recurso que es conectar un resistor de alto valor R2 en paralelo con el resistor R1 de modo tal que se pueda ajustar la corriente al valor requerido. 

Fig.10 Ajuste de la corriente con valores normalizados de resistencia

Fig.10 Ajuste de la corriente con valores normalizados de resistencia

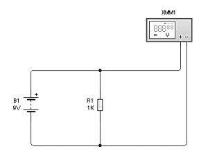
¿Cual es el valor real de los dos resistores en paralelo? Mas adelante veremos que existe una formula de cálculo pero el laboratorio virtual permite realizar sencillamente la medición a condición de que se desconecte una de las patas del resistor. En la figura siguiente se puede observar como se realiza tal medición. El tester debe predisponerse como óhmetro pulsando sobre él con el botón derecho del mouse (BDM). Luego se elige Ohm y se arranca la simulación con F9.

Fig.11 Medición de la resistencia equivalente paralela

Fig.11 Medición de la resistencia equivalente paralela

Como se puede observar se obtiene el valor original de 8Koms.

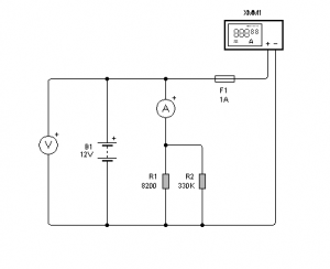
Un caso muy particular ocurre con la medición de corriente. Ya vimos que los medidores de tensión o voltímetros, tienen una resistencia interna equivalente a varios megohms para que su inclusión en el circuito no modifique las características del mismo. Por la misma razón, un medidor de corriente o amperímetro debe tener un bajo valor de resistencia, ya que siempre se lo conecta en serie con el circuito. Dada esa característica, si por error se lo conecta sobre la fuente, circula una corriente muy elevada que quema el instrumento. Por esa razón los amperímetros de hasta 1 A incluidos en un tester, tienen un fusible de 2 amperes.

En la figura 12  se puede observar el circuito necesario para que ocurra una dramatización de este hecho, en donde conectamos un amperímetro sobre una fuente, pero mostrando el fusible como un componente externo. El fusible se encuentra al final de la sección “power supplies” de “Gallery”.

Fig.12. Amperímetro mal conectado

Fig.12. Amperímetro mal conectado

Luego se debe entrar en las pestañas desplegables superiores y elegir “explosions” de acuerdo a la figura siguiente.

Fig.13 Predisposición explosiva

Fig.13 Predisposición explosiva

Cuando comience la simulación con F9 se producirá la quemadura inmediata del fusible indicando el error de conexión.

Práctica real

No hay mucho para agregar en la practica real que sea diferente a la práctica simulada. Simplemente debemos armar el circuito de prueba en una plaqueta perforada y luego realizar las mediciones. El tester digital real tiene una perilla selectora de funciones, ella permite predisponer el tester como voltímetro, como amperímetro o como óhmetro, seleccionando además el valor de escala en cada caso. Es muy común que por razones de seguridad, se utilicen dos bornes diferentes del tester para la medición de corriente y de tensión.

Realice la practica de ajustar la corriente a 1,5 mA cuando la tensión de fuente es de 12V, para familiarizarse con los valores de resistencia de la serie del 5% que es la mas utilizada habitualmente.

Conclusiones

En esta unidad didáctica aprendimos a utilizar una poderosa herramienta de estudio que es el laboratorio virtual LW. En realidad solo vislumbramos su utilidad, porque lo empleamos para resolver un circuito muy elemental. Cuando los circuitos se hagan mucho mas complicados el uso de los laboratorios virtuales resultará prácticamente imprescindible para obtener una solución simple y rápida a todos nuestro problemas.

Le aconsejamos al lector que practique con su laboratorio virtual porque ese es el mejor modo de aprender. Este curso no es un curso para leer, es un curso para practicar, primero en forma virtual y luego en forma real. Cumpla con todas las modalidades si pretende aprender realmente.

Descargas

Anterior

Desde DsTecnologia declinamos toda responsabilidad ante un mal manejo de sus tutoriales y ante los daños tanto físicos como materiales, producidos por la manipulación de periféricos sin los conocimientos adecuados.